
| 輸出 | PMT-12V35W2BA□ | PMT-12V50W2BA□ | PMT-12V75W2BA□ | PMT-12V100W2BA□ | PMT-12V150W2BA□ | PMT-12V150W2CA□ | PMT-12V200W2B□□ | PMT-12V350W2B□□ | |
| 輸出電壓 | 12 V | 12 V | 12 V | 12 V | 12 V | 12 V | 12 V | 12 V | |
| 輸出電壓范圍 | 10.8-13.2 V | 10.8-13.2 V | 10.8-13.2 V | 10.8-13.2 V | 10.8-13.2 V | 10.8-13.2 V | 10.8-13.2 V | 10.8-13.2 V | |
| 輸出電流 | 3.0 A | 4.2 A | 6.0 A | 8.5 A | 12.5 A | 12.5 A | 17.0 A | 29.0 A (43.5 A 可長達1秒) |
|
| 輸出功率 | 36 W | 50.4 W | 72 W | 102 W | 150 W | 150 W | 204 W | 348 W (522 W 可長達1秒) |
|
| 紋波電壓 (20 MHz) | < 120 mVpp @ 0°C 至 70°C, 360 mVpp typ. @ -30°C 至 0°C |
< 150 mVpp @ 0°C 至 70°C, 450 mVpp typ. @ -30°C 至 0°C |
|||||||
| 保持時間 | 115 VAC | 16 ms typ. | 12 ms typ. | 11 ms typ. | 9m s typ. | 30 ms typ. | 12 ms typ. | 30 ms typ. | 20 ms typ. |
| 230 VAC | 70 ms typ. | 60 ms typ. | 52 ms typ. | 42 ms typ. | 55 ms typ. | ||||
| 輸入 | |||||||||
| 輸入相數 | 單相 | ||||||||
| 輸入電壓范圍 | 90-264 VAC | 90-132 VAC, 180-264 VAC (選擇開關) |
90-264 VAC | 90-132 VAC, 180-264 VAC (選擇開關) | |||||
| 輸入頻率 | 47-63 Hz | ||||||||
| 輸入電流 | 115 VAC | 0.7 A typ. | 0.95 A typ. | 1.4 A typ. | 1.9 A typ. | 3.0 A typ. | 3.0 A typ. | 4.0 A typ. | 6.0 A typ. |
| 230 VAC | 0.42 A typ. | 0.6 A typ. | 0.85 A typ. | 1.2 A typ. | 1.7 A typ. | 1.7 A typ. | 2.2 A typ. | 3.4 A typ. | |
| 滿載效率 (100% 負載) | 230 VAC | 86.0% typ. | 85.0% typ. | 87.0% typ. | 87.5% typ. | 87.5% typ. | 88.0% typ. | 88.5% typ. | 84.5% typ. |
| 浪涌電流(冷啟動) | 230 VAC | 45 A typ. | 55 A typ. | 60 A typ. | |||||
| 功率因素 | NA | ||||||||
| 漏電流 (50 Hz) | 240 VAC | < 0.5 mA | < 0.5 mA | < 0.75 mA | |||||
| 機構 | |||||||||
| 外殼 / 底架 | SGCC / 鋁質 | SGCC / SGCC | |||||||
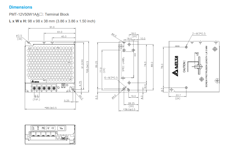
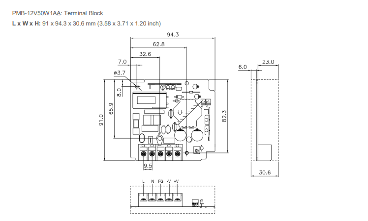
| 尺寸(L × W × H) | mm | 99 × 82 × 29 | 99 × 82 × 29 | 99 × 97 × 30 | 129 × 97 × 30 | 159 × 97 × 30 | 159 × 97 × 30 | 159 × 97 × 30 | 215 × 115 × 30 |
| inch | 3.90 × 3.23 × 1.14 | 3.90 × 3.23 × 1.14 | 3.90 × 3.82 × 1.18 | 5.08 × 3.82 × 1.18 | 6.26 × 3.82 × 1.18 | 6.26 × 3.82 × 1.18 | 6.26 × 3.82 × 1.18 | 8.46 × 4.53 × 1.18 | |
| 重量 | kg | 0.17 | 0.18 | 0.22 | 0.29 | 0.35 | 0.39 | 0.42 | 0.83 |
| lb | 0.36 | 0.39 | 0.48 | 0.63 | 0.78 | 0.86 | 0.93 | 1.84 | |
| 冷卻方式 | 自然對流 | 強制風冷 (內置風扇) | |||||||
| 平均故障間隔時間 | > 700,000 hrs | ||||||||
| 環境 | |||||||||
| 運行溫度 | -30°C 至 +70°C | ||||||||
| 儲存溫度 | -40°C 至 +85°C | ||||||||
| 運行濕度 | 20 至 90% RH (無冷凝) | ||||||||
| 運行海拔高度 | 0 至 5,000 m (0 至 16,400 ft) | ||||||||








